This case study showcases our expertise in precision CNC machining of thin-wall Aluminum 6063-T6 components for military and defense electronics applications. The aluminum mainboard bracket is designed for use in military portable computer systems, providing stable structural support for motherboard assemblies and sensitive circuit boards. Our advanced CNC milling capabilities ensure dimensional stability, tight tolerance control, superior surface finish, and reliable performance in demanding defense environments.
Project Overview
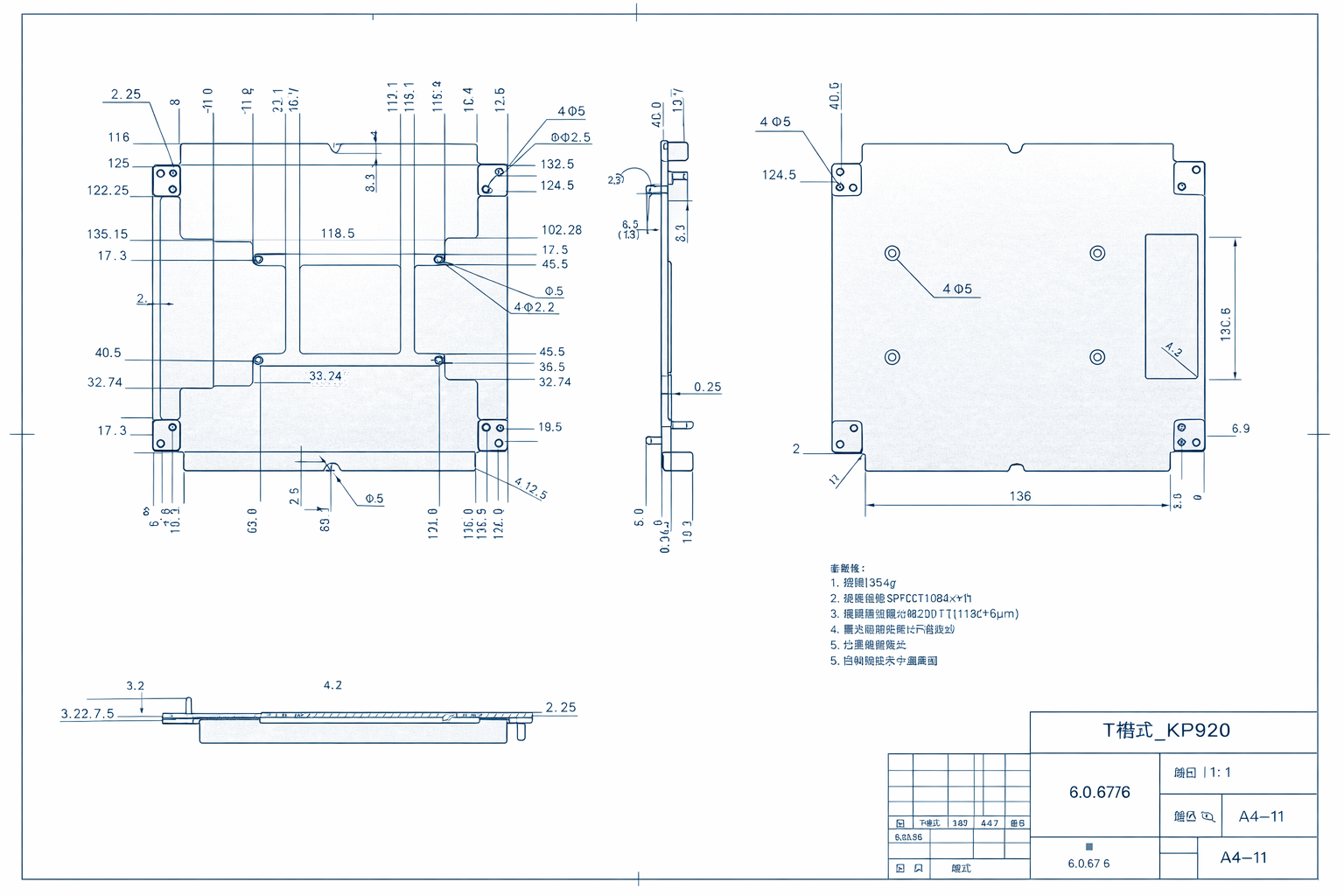
Product Name: Aluminum Mainboard Bracket
Material: Aluminum 6063-T6
Manufacturing Process: Precision CNC Milling
Industry: Military / Defense Electronics
Application: Structural support component for portable military computer systems
Surface Requirement: No chatter marks, uniform machining texture
Thickness Tolerance: 5.1 mm (0 ~ -0.05 mm)
Flatness Requirement: ≤ 0.1 mm
The component serves as a critical structural platform inside a rugged military-grade portable computer. It ensures mechanical stability, protects internal electronic systems, and maintains dimensional consistency under varying operational conditions.
Engineering Challenges in Thin-Wall CNC Machining
Thin-wall aluminum components present significant machining challenges, especially when strict negative tolerances and flatness control are required. Aluminum 6063-T6, while lightweight and corrosion-resistant, can deform during machining due to internal stress release and cutting forces.
Key technical challenges included:
– Controlling deformation after rough machining
– Managing internal material stress
– Preventing surface chatter during finishing
– Achieving strict negative thickness tolerance (0 ~ -0.05 mm only)
– Maintaining flatness within 0.1 mm across the full surface
Optimized CNC Machining Process
Step 1 – Stress Relief Annealing
Before machining, raw aluminum material underwent controlled stress relief annealing to reduce internal stress and improve dimensional stability during CNC processing.
Step 2 – Controlled Rough Milling
Balanced material removal strategy was applied, leaving uniform finishing allowance. Cutting parameters were optimized to reduce distortion in thin sections.
Step 3 – 24-Hour Natural Aging
After rough machining, parts were allowed to rest for 24 hours to naturally release machining stress. This stabilization step is critical for achieving final thickness control.
Step 4 – Precision Finishing with Custom Fixture
A custom contoured fixture with reverse adjustment screws was designed to fully support the thin-wall structure. Symmetrical machining strategy, high spindle speed, and controlled feed rate eliminated chatter marks and ensured flatness control.
Step 5 – Feeler Gauge Verification
Prior to final finishing, feeler gauges were used to confirm full surface contact between the part and fixture. This ensured stable clamping force and accurate thickness control within 0 ~ -0.05 mm.
Quality Inspection & Verification
Final inspection was conducted using precision measurement tools to verify thickness, flatness, and overall dimensional accuracy. Surface integrity was visually inspected to ensure no chatter marks or machining vibration patterns were present.
Inspection results:
✔ Thickness maintained within drawing specification
✔ Flatness controlled within ≤ 0.1 mm
✔ Uniform surface finish without vibration marks
✔ Fully compliant with military engineering requirements
Why Choose Our CNC Machining Services
We specialize in precision CNC machining of aluminum components for aerospace, military, and high-performance electronics industries. Our expertise in thin-wall machining, tight tolerance control, and custom fixture engineering enables us to deliver stable, high-quality components for mission-critical applications.
If you are looking for a reliable CNC machining manufacturer for military-grade aluminum parts, tight tolerance thin-wall components, or precision structural electronics brackets, our engineering team is ready to support your project.