Custom Planetary Gearbox for Aerospace UAV Applications

图片7 5 Precision Custom CNC Machining Services | ISO 9001 Certified Factory
Client Background

A leading European aerospace UAV manufacturer was seeking a reliable long-term supplier for high-performance planetary gearboxes and precision drivetrain components used in the UAV rudder control system. The application involved high-altitude operation, rapid temperature variation, and stringent reliability requirements.

Core Challenges

♦Extreme Environmental Resistance: Operation from –45 °C to 120 °C with resistance to high-altitude moisture.
♦ High Torque & Precision: Output torque of 12 N·m with backlash ≤ 3 arcmin.
♦Lightweight & Compact Design: Gearbox diameter limited to 38 mm.
♦ Customization & Rapid Prototyping: 20 customized prototypes required within 3 weeks.

dc438aef9ecb0e9ebf0c8bc622db824c2 2 Precision Custom CNC Machining Services | ISO 9001 Certified Factory
Our Solution – Material & Component Engineering

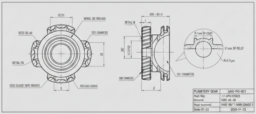
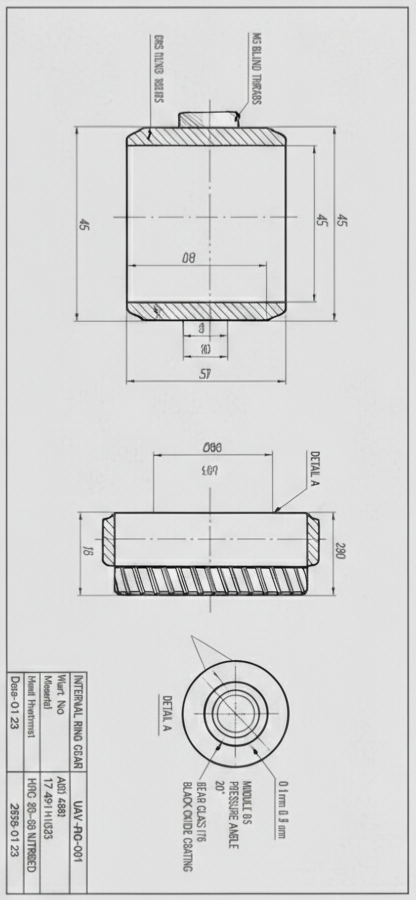
Gearbox Housing: AISI 4340 high-strength alloy steel.
Gears & Shafts: Precision-ground 17-4PH stainless steel, HRC 40–45.
Sealing System: Custom IP65-rated sealing structure.

CNC Machining & Precision Manufacturing

5-Axis CNC machining achieving Ra 0.8 μm surface finish.
Gear grinding and honing for tight backlash control.
Final assembly in a Class 10,000 cleanroom.

dc438aef9ecb0e9ebf0c8bc622db824c1 2 Precision Custom CNC Machining Services | ISO 9001 Certified Factory
Testing & Validation

Thermal cycling from –45 °C to 120 °C for 1,000 cycles.
Torque and backlash verification: 12 N·m, ≤ 2.5 arcmin.
10 g random vibration testing for UAV flight simulation.

Results & Impact

100% functional performance in 50+ flight tests.
Prototype delivery in 2 weeks (33% faster than target).
28% reduction in supply-chain costs.
Secured a 3-year production contract for 5,000 units.

Technical Specifications

Gearbox Diameter: 38 mm
Output Torque: 12 N·m
Backlash: ≤ 2.5 arcmin
Operating Temperature: –45 °C to 120 °C
Service Life: ≥ 10,000 hours

Client Testimonial

“The precision and reliability of the planetary gearboxes exceeded our expectations. The ability to deliver fully customized prototypes in just two weeks was critical to our flight-testing schedule. We now consider Precimach Precision (Suzhou) Co., Ltd. our sole supplier for this critical UAV component.”
— Chief Engineer, European Aerospace UAV Manufacturer

Get In Touch With Us

Looking for low cost CNC machining parts with unparalleled quality? Send your inquiry or drawing fast to get an online CNC quote.​​​​​​​
Upload your drawings or technical files to receive an accurate quote. Preferred formats: STEP / STP / IGS Other accepted formats: PDF, DWG, DXF, JPG, PNG, XLS / XLSX For multiple files, please upload a ZIP or RAR archive. Alternatively, send your RFQ directly to projects@precimach.com
Scroll to Top